43 tecumseh magneto wiring diagram
A magneto begins with a double-wound coil of enameled wire, mounted to cut through a Jan 03, 2021 · Tecumseh magneto wiring diagram wiring diagram is a simplified good enough pictorial representation of an electrical circuit. 1. Each part ought to be placed and linked to different parts in specific manner. Sep 14th 2018 Jul 04, 2019 · Vertex Magneto Wiring Diagram – wiring … Tecumseh MG-610681A 610681A-MG Magneto Exploded View parts lookup by model. Complete exploded views of all the major manufacturers. It is EASY and FREE.
3 Jan 2010 — NEED WIRING DIAGRAM ** Bunton wb mower w/ 17.5hp Tecumseh ... The red-wire that comes from the magneto should go to one of the ignition ...

Tecumseh magneto wiring diagram
In this case as shown, we can have rotating magneto with fixed coil or rotating coil with fixed magneto for producing and supplying current to the primary, the remaining arrangement is the same as that of a battery ignition system. The figure given on the next page shows the line diagram of the magneto ignition system. tecumseh 8 hp tvm220 won,t fire need wiring diagram it is a standard magneto fired engine --- go on line and google up magneto. tecumseh power company this engine meets 1995-1998 calif/us epa ph1 applicable emission regula-tions for ulge engines fuel regular unleaded oil sae 30 the following will be needed to locate parts for your engine. locating and reading engine model and specification engine model number locations model numbering system for tecumsehpower’s full ...
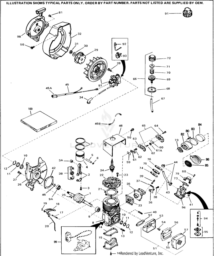
Tecumseh magneto wiring diagram. Tecumseh Part# 610941A. "Magneto This magneto is not available as an assembly. The magneto number is shown for reference purposes only. Order component parts individually as shown in parts breakdown. Usually ships same day. Mar 10, 2021 - Tecumseh Tc20a-g-404-115 Wiring Diagram tecumseh ground wire diagram tecumseh engines carburetor diagram 21yo7 tecumseh hh60 f troybilt horse ... The magnetic coil on a Tecumseh engine interacts directly with the engine's plug hole and is connected to the motor through a single, black ignition wire. Tecumseh Magneto Wiring Diagram Collection - Beautiful Tecumseh Elschema Position Electrical Circuit Diagram. 6 Step Ignition Diagram.Mar 11, · HOW TO REMOVE the Coil, Points & Condenser ... tecumseh 8 hp tvm won,t fire need wiring diagram it is a standard magneto fired engine go Wiring diagram Sears Model Mower Tecumseh engine. schematron.org - Order Genuine Tecumseh Parts for the Tecumseh TVM G - Tecumseh 4-Cycle Vertical Engine Engines: vertical 4-cycle engine.
15 Cdi Wiring Diagram Motorcycle Motorcycle Diagram Wiringg Net In 2020 Motorcycle Wiring Chinese Scooters Electrical Diagram . Wiring Diagram Electrical Wiring Diagram Electrical In 2020 Chinese Scooters Motorcycle Wiring Electrical Wiring Diagram . Tecumseh Magneto Wiring Diagram Tecumseh Diagram Magneto . Ignition Switch Troubleshooting ... Sample Basic Wiring Diagram for Small Engines using Magneto Ignition with Points Here is a basic wiring diagram showing how to wire a vintage small engine that uses a Magneto Ignition System with Points for the timing. Samples of engines like this include the Kohler K141, K161, K181, and some K241 engines. Sep 14th 2018 Tecumseh Magneto Wiring Diagram – wiring diagram is a simplified good enough pictorial representation of an electrical circuit. It shows the components of the circuit as simplified shapes, and the capacity and signal links together with the devices. 06.02.2014 · Thinking Outside the Box: A Misguided Idea The truth behind the universal, but flawed, catchphrase for creativity. Posted February 6, 2014
Tecumseh Magneto Wiring Diagram. Tecumseh Magneto Wiring Diagram. VTTJacques Blouin. 87 followers. Lawn Mower Maintenance. Lawn Mower Repair. Small Engine. New Engine. Craftsman Riding Lawn Mower. Trailer Wiring Diagram. Boat Wiring. Tecumseh Engine. Kohler Engines. More information.... More like this ... Tecumseh Ignition Magneto Setting & TipsEver wonder what a good setting is for the magneto on your older Tecumseh engine is? In this video I show you a good ... a aa aaa aaaa aaacn aaah aaai aaas aab aabb aac aacc aace aachen aacom aacs aacsb aad aadvantage aae aaf aafp aag aah aai aaj aal aalborg aalib aaliyah aall aalto aam ... 11.07.2019 · Wiring Diagram For Chevy Trailblazer 2006 General Avic411 Com Isuzu Rodeo Stereo Wiring Diagram Altima Rodeo Trailblazer Car 34db71 98 Isuzu Wiring Diagram Wiring Resources 02 Envoy Fuse Box Wiring 2005 Chevrolet Trailblazer Wiring Schematic Wiring Diagram T1 3bda26 Trailblazer Radio Wiring Diagram Wiring Resources 2002 Trailblazer …
30.09.2021 · N. Korea's parliamentary session. This photo, released by North Korea's official Korean Central News Agency on Sept. 30, 2021, shows Kim Song-nam, director of the International Department of the ruling Workers' Party's Central Committee, who was elected as a member of the State Affairs Commission, the country's highest decision-making body, during …
Auxiliary data. src/public/js/zxcvbn.js This package implements a content management system with security features by default. It provides a blog engine and a framework for Web application development. Its features include: - Digitally signed automatic security updates - The community is always in control of any add-ons it produces - Supports a multi-site architecture out of the …
tecumseh power company this engine meets 1995-1998 calif/us epa ph1 applicable emission regula-tions for ulge engines fuel regular unleaded oil sae 30 the following will be needed to locate parts for your engine. locating and reading engine model and specification engine model number locations model numbering system for tecumsehpower’s full ...
tecumseh 8 hp tvm220 won,t fire need wiring diagram it is a standard magneto fired engine --- go on line and google up magneto.
In this case as shown, we can have rotating magneto with fixed coil or rotating coil with fixed magneto for producing and supplying current to the primary, the remaining arrangement is the same as that of a battery ignition system. The figure given on the next page shows the line diagram of the magneto ignition system.
Comments
Post a Comment