38 john deere lt160 parts diagram
Service Schedule Parts for a John Deere LT160 Lawn Tractor & Parts List. While your John Deere machine is certainly built with quality parts, they have a limited life. Good news is you can easily service your machine yourself using a John Deere maintenance kit or service kits or by getting the specific John Deere part needed to keep your John Deere mower or tractor running for a long time. Parts lookup and repair parts diagrams for outdoor equipment like Toro mowers, Cub Cadet tractors, Husqvarna chainsaws, Echo trimmers, Briggs engines, etc. ... JS 35 FC (7800237) - John Deere 21" Walk-Behind Mower, Electric, Canada (2009) NJS 45 (7800235) - John Deere 21" Walk-Behind Mower, CARB (2009)
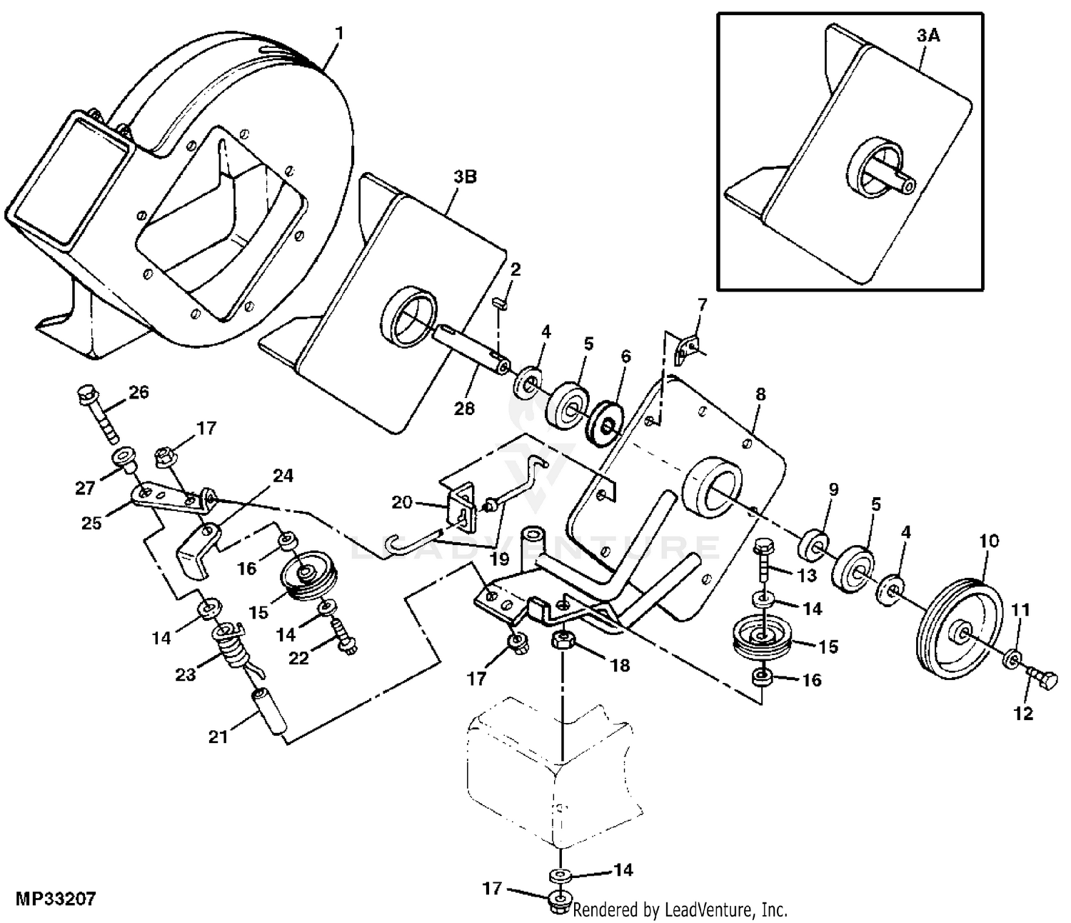
LT160 LAWN TRACTOR. Mower Deck and Lift Linkage, 38 / 42 inch. LT160 LAWN TRACTOR. POWER TRAIN. LT160 LAWN TRACTOR. POWER TRAIN AM130330. LT160 LAWN TRACTOR. Snowblower 42-Inch. LT160 LAWN TRACTOR.

John deere lt160 parts diagram
John Deere AG, Lawn & Garden and CWP Equipment Parts Search. John Deere parts lookup tool and diagram is an incredible online source. It is a complete catalog that shows you detailed parts diagrams of every part of your machine. This online parts catalog is robust and easy to use. Searching for your John Deere parts online has never been easier. John Deere (38) John Deere LT160 Parts. The John Deere LT160 was produced from 2002 to 2005. It came equipped with either a hydrostatic drive transmission, 42" Mower Deck and 16hp Kohler Command Engine. Regular Maintenance should be performed on the LT160 every 50 hours and should include Spark Plug, Air Filter, Oil Filter with 2qts oil and ... Parts Player New PTO Clutch Replacement for John Deere 108 111 112 116 130 160 165 175 STX30 STX38 LX172 LX173 LX176 5215-35 X0407 AM100979 AM115090 AM118969 AM122969. ... 8TEN Drive Belt for John Deere LT150 LT160 LT170 LT180 LT190 X300 X304 X310 X320 X340 X360 X324 M144044. 3.9 out of 5 stars 58. $14.29 $ 14. 29 $16.00 $16.00. Get it Fri, Jan ...
John deere lt160 parts diagram. John Deere Parts Diagrams, John Deere LT160 LAWN TRACTOR. ELECTRICAL. ENGINE AM133145. Front Blade 44-Inch. FUEL AND AIR. LABELS AND OPTIONAL EQUIPMENT. Material Collection System. Mower Deck and Lift Linkage, 38 / 42 inch. POWER TRAIN. John Deere Lt166 Parts Diagram. Genuine John Deere Parts are your best choice for your newer machines. to use it safely and to the fullest by checking out your John Deere operator's manual . John Deere LT Riding Mower Parts including mower blades, deck belt, oil and air filter along with Parts Look-up Diagrams/Schematics. John Deere 160 Parts Diagrams. Parts Lookup - Enter a part number or partial description to search for parts within this model. There are (9) parts used by this model. 12v, 9 tooth, CCW rotation. Two (2) bolt hole tangent mount. Buy Genuine OEM John Deere parts for your John Deere LT166 Lawn Tractor (With 46-IN Mower Deck) -PC2608 and ship today! Huge in-stock inventory of OEM John Deere parts.
Buy Genuine OEM John Deere parts for your John Deere LT160 Lawn Tractor (With 42-IN Mulching Mower Deck) -PC9072 and ship today! Huge in-stock inventory of OEM John Deere parts. Click here for the John Deere LT160 parts diagrams. John Deere riding mowers are built with quality parts. However, they still require maintenance parts from time to time. Such as, idler pulley, mower blades, drive belt, deck belt, spindle, starter, etc… If you need high quality replacement John Deere parts, we can help. Lt160 Wiring Diagram. Just got a 89 suzuki lt with a rats nest wiring. Having trouble trying to hook it back up. Looked at some of the wiring diagrams on here but. The Web's most trusted source for Suzuki LT Quad Runner WIRING HARNESS Open and Print this schematic Link to this schematic Home Full Page. [EBOOKS] John Deere Lt Wiring Diagram [PDF ... John deere repair parts available online from lawn mower pros. See also Everstart Jump Starter Manual It is a complete catalog that shows you detailed parts diagrams of every part of your machine. 24/48 hour shipments to usa Our huge selection of john deere lawn tractor parts includes everything from tire chains to snow blades to air filter ...
John Deere LT160 photos... Power Take-off (PTO) Mid PTO: independent Clutch: mechanical Dimensions & Tires: Wheelbase: 48 inches 121 cm: Weight: 399 lbs 180 kg: Front tire: 15x6-6 Rear tire: 20x10-8 Full dimensions and tires ... John Deere LT160 attachments: 42" mid-mount mower deck: blade: Attachment details ... LT160 Serial Numbers: 2002 ... John Deere 38" Deck Parts Diagram for LT130 LT133 LT155 LT160 LT166 Riding Lawn Mowers John Deere 42M Deck Wash Port Kit - BM20635. (0) $59.95. Usually available from obsolete parts supplier - please allow 2 extra days for processing. Add to Cart. Quick View. John Deere Lt150 Belt Diagram. We have a John deere Lt with wiring problems. Starters Eccpp Fit for John Deere Tractors Lawn Lt150 Lt160 Sabre 1948gv 1948hv 2148hv 2354hv Scott S Tractors Lawn S2348 2000 2001 Sab0158. It will be a big help. John deere lt150 brake shaft part. Service Mower from manuals.deere.com. Service Schedule Parts for a ...
Shop John Deere LT160 Lawn Tractor Parts - Using Quick Parts Reference Guide or Parts Illustrated Diagrams - Same Day & $4.99 Flat Rate Shipping!
Amazon's Choice for john deere lt160 parts John Deere Maintenance Kit L110, LT160, LX266, GT225 Sabre 17.54HS (2002) Scotts L17.542 LG240 4.8 out of 5 stars 206
John Deere LT160 Parts Diagrams. Parts Lookup - Enter a part number or partial description to search for parts within this model. There are (5) parts used by this model. 12v, 13 tooth, CCW rotation, PMDD type. Will interchange with 10 tooth drive units, pinion angle is offset.
Description: John Deere Hydrostatic Transmission Fix for John Deere 160 Lawn Tractor Parts Diagram, image size 1080 X 975 px, and to view image details please click the image. Here is a picture gallery about john deere 160 lawn tractor parts diagram complete with the description of the image, please find the image you need.
Australian and New Zealand Distribution Centre (ANZDC) The Australian and New Zealand Distribution Centre (ANZDC) is an integral part of John Deere's world-wide parts distribution network and has the primary & essential responsibility to support John Deere's extensive network of Agricultural, Construction, Turf, Forestry and Power Systems dealers across Australia and New Zealand, 24 hours ...
Model LT160. Discover a wide selection of model LT160 John Deere tractor parts at Green Part Store. Find everything from mower decks, baggers, blades, and snowblower parts. Keep your John Deere in high-quality, functioning condition, so that it will see years of continuous reliable use. Whether it needs the appropriate cleaning supplies ...
This quick parts reference guide will provide you with the most common John Deere LT160 Lawn Tractor Parts 42C Mower Deck. These John Deere Lawn Tractor Parts may include: Tune Up Kit, Spark Plug, Mower Blades, Traction Drive Belt, Transmission Belt, Mower Drive Belt, Battery, and Air Filters. If you need help finding John Deere Lawn Tractor Parts Search Using Weingartz Illustrated Diagrams to view an illustrated diagram or call us at 1-855-669-7278.
John Deere Lt160 Diagram. Here are a number of highest rated John Deere Lt160 Diagram pictures on internet. We identified it from obedient source. Its submitted by management in the best field. We say you will this kind of John Deere Lt160 Diagram graphic could possibly be the most trending subject past we ration it in google gain or facebook.

STENS OEM Replacement Belt for John Deere LT155, LT160, LT166, LT170 and LT180 with 42M Deck M128733 265-319 - The Home Depot
John deere lt160 deck parts diagram Get outdoors for some landscaping or spruce up your garden! The traction belt is the one that delivers engine power to the transmission. John deere z915b z trak mower parts throughout john deere lt155 parts diagram image size 410 x 410 px and to view image details please click the image. $ $ 22 FREE Shipping ...
Parts Player New PTO Clutch Replacement for John Deere 108 111 112 116 130 160 165 175 STX30 STX38 LX172 LX173 LX176 5215-35 X0407 AM100979 AM115090 AM118969 AM122969. ... 8TEN Drive Belt for John Deere LT150 LT160 LT170 LT180 LT190 X300 X304 X310 X320 X340 X360 X324 M144044. 3.9 out of 5 stars 58. $14.29 $ 14. 29 $16.00 $16.00. Get it Fri, Jan ...
John Deere (38) John Deere LT160 Parts. The John Deere LT160 was produced from 2002 to 2005. It came equipped with either a hydrostatic drive transmission, 42" Mower Deck and 16hp Kohler Command Engine. Regular Maintenance should be performed on the LT160 every 50 hours and should include Spark Plug, Air Filter, Oil Filter with 2qts oil and ...
John Deere AG, Lawn & Garden and CWP Equipment Parts Search. John Deere parts lookup tool and diagram is an incredible online source. It is a complete catalog that shows you detailed parts diagrams of every part of your machine. This online parts catalog is robust and easy to use. Searching for your John Deere parts online has never been easier.
Comments
Post a Comment