42 2009 toyota corolla wiring diagram
Toyota service, workshop, owner's and repair manual; electrical wiring diagrams, fault codes/ diagnostic trouble codes in PDF - free download more than 200+ Toyota manuals! PDF DOWNLOAD of Toyota Factory Service Repair Manuals - Toyota 4Runner, Allion, Altezza, BB, Blizzard, Brevis, Caldina, Carina, Celica, Century, Chaser, Corolla. View and Download Toyota COROLLA iM 2017 service manual online. Dec 11, 2017 Toyota Service Manuals PDF, Workshop Manuals, Repair Manuals, spare parts catalog, fault codes and wiring diagrams Free Download See also: Toyota Engine Repair Manual Toyota Avensis Service Manual Toyota Avalon Service Manual Toyota Allex Toyota Allex 2000 Repair Manual - The manual for maintenance and repair of ...
We tolerate this nice Steering Knuckle Diagram graphic could be the most trending subject in the same way as to part it for Google lead or Facebook. ... How A Car S Suspension System Works Toyota Corolla Forum . Image by Corollaforum.com 1988 1994 Chevrolet Gmc C1500 K1500 C2500 K2500 C3500 .

2009 toyota corolla wiring diagram
Toyota Corolla 1996 wiring diagram overall Download. Toyota Corolla 2004 Electrical Wiring Diagram Download. ... 2009-2010 Toyota Corolla Wiring Diagrams (EM12R1U) Toyota Corolla / Auris Electrical Wiring Diagram (EM04F1E) OVERALL ELECTRICAL WIRING DIAGRAM CONNECTOR LIST RELAY LOCATION GROUND POINTS SYSTEM CIRCUIT 2009-2010 Toyota Corolla Wiring Diagrams (EM12R1U) 1994 E36 318i Brake Lights Not Working Bimmerfest Bmw Forum Https Encrypted Tbn0 Gstatic Com Images Q Tbn And9gcrawxocqameyvghgymjvxf Xrj...
2009 toyota corolla wiring diagram. Honda cb500 cb 500 t electrical wiring harness diagram schematic 1975 1976 here. Honda nx650 dominator nx 650 exploded view parts list diagram schematics here Honda Dominator - First Start After Winter - Youtube Honda 50 c 100 c 102 c 110 c 114 service manual. Honda dominátor 500 youtube magyarul. Honda cb650 cb 650… Im trying to track down a wiring diagram for 2002 Toyota Avalon xls with JBL audio. Trying to figure out if the OEM sub is being powered by the head unit or if there is a separate amp that handles this setup. Im victim of a worn subwoofer and thinking about going aftermarket. Trying to figure out what components I would need to bypass or integrate. Wiring Diagrams, Spare Parts Catalogue, Fault codes free download Toyota Corolla Auris Corolla Verso Service Manuals. Toyota Corolla 2009-2010 Repair Manual This is complete workshop manual for your Toyota to help you service and repair your vehicle. TOYOTA Electrical Wiring Diagrams PDF above the page - Auris, Avalon, Avensis, Camry, Corolla, Hiace, Hilux, Land Cruiser, Prius, RAV-4, Supra, Yaris. Toyota 4Runner - 5-door SUV class "K3". A restyled version of the fifth generation of the Toyota 4Runner .
Wiring diagrams for 12v heavy trucks hi everybody out there i m posting because i ve been looking for wiring diagrams for heavy trucks with no results at all. Diagram schematic wiring 2000 sterling truck full version hd quality wiringmethod bridalstylist it. god of war 4 mobile 1080 hd wallpapers wallpaper cave, 13, It is a more upscale model than that of Toyota's Land Cruiser while also sharing a frame with the Toyota Tundra. 95000 Km . See hi-res pictures, prices and info on Lexus Wagon cars for sale. New 2022 - 7x16 Covered Wagon Trailer with 7' Interior & Black Out. Toyota Corolla 1992-1998 Service Manual.rar - Multimedia manual in Russian on the operation and repair of Toyota Corolla 1992-1998 years of release.: 223Mb: Download: Toyota Corolla 1995-2000 Service Manual.rar - Manual in Russian for the maintenance and repair of Toyota Corolla / Corolla Levin / Sprinter / Sprinter Trueno 1995-2000 model years, right-hand drive models with petrol and ...
The Toyota Technical Information System (TIS) is the factory service support source for all Toyota, Lexus and Scion produced vehicles marketed in North America.TIS provides access to the latest, most updated service information, including service bulletins, repair manuals, electrical wiring diagrams, owner's manuals, collision repair manuals, emergency response guides, accessory installation. Toyota Corolla 2006 Electrical Wiring Diagram (EM00H0U) 1983-1990--Toyota--Cressida--6 Cylinders M 3.0L MFI DOHC--31055001 Toyota Hiace Body Repair Manual for Collision Damage Toyota Rav4 2009 2010 2011 Service Repair Workshop. Toyota Sprinter Carib 1995-2001 Wiring Diagram; Toyota Camry 2011 Repair manual, EWD, Technical. Toyota A442F Automatic Transmission factory worksh. TOYOTA HILUX VIGO 2005-2011 Repair Manual; Toyota HiAce 1989-2004 Service Manual; Toyota Tundra 2007 2010 - Service Manual - Car Ser. See also: Vw Beetle Headlight Bulb - 9 images - how to replace the headlight bulbs on a 2000 2004, vw bug restored tail light bulb holders set fits vw beetle,
What Is A Bullet Journal How To Set Up And Start Your Bujo For 2021 3 Tips To Creating Your Own Bullet Journal Summary And Essentials My ...
Leaking Power Steering Pump Club Lexus Forums images that posted in this website was uploaded by Subscribe.derbytelegraph.co.uk. Leaking Power Steering Pump Club Lexus Forums equipped with a HD resolution 512 x 384.You can save Leaking Power Steering Pump Club Lexus Forums for free to your devices.. If you want to Save Leaking Power Steering Pump Club Lexus Forums with original size you can ...
Jan 25, 2020 · TOYOTA 2008-2014 Corolla BR-Prod Electrical Wiring Diagram (EM0840E) TOYOTA 2009 4Runner Electrical Wiring Diagram (EM10X0U) ... TOYOTA 2009 Camry HV Electrical ...
Yomikoo USB AUX MP3 Player Radio Car Digital Music Cd Changer Aux Adapter for Toyota 5+7Pin Camry 1998-2004 Corolla 1998-2002 Highlander 1998-2003 Features : Not Compatible with Factory Navigation System or DVD radio.Not Compatible with Integrated Satellite Radio, you would need to disconnect it to install this adapter.
Renault Clio (2009 - 2012) - Replace the starter motor Do you need to replace the starter motor on your 2009 - 2012 Renault Clio but don't know where to start? This video
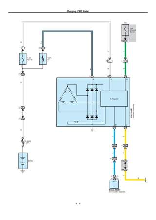
Jan 25, 2022 · Internal wiring for each junction block is also provided for better understanding of connection within a junction block. Wiring related to each system is indicated in each system circuit by arrows (from_, to_). When overall connections are required, see the Overall Electrical Wiring Diagram at the end of this manual.
We are not here to do all of the work for you and I recommend looking at an electrical wiring diagram. Vangm25: My 2008 Toyota Camry ... Camry 5th and 6th Gen '02-'11, Solara '04-'08 Corolla 10th Gen/2nd Gen Matrix (2009-2013) Camry & Solara Lounge. Recommended Communities. VWVortex Volkswagen Forum 1M+ members. Toyota GR Corolla Forum NEW! 160 ...
Les meilleures offres pour Sifflets en cuir noir Canter Bottines-Taille 6 39-RRP £ 185 sont sur eBay Comparez les prix et les spécificités des produits neufs et d'occasion Pleins d'articles en livraison gratuite!
1994 E36 318i Brake Lights Not Working Bimmerfest Bmw Forum Https Encrypted Tbn0 Gstatic Com Images Q Tbn And9gcrawxocqameyvghgymjvxf Xrj...
Toyota Corolla / Auris Electrical Wiring Diagram (EM04F1E) OVERALL ELECTRICAL WIRING DIAGRAM CONNECTOR LIST RELAY LOCATION GROUND POINTS SYSTEM CIRCUIT 2009-2010 Toyota Corolla Wiring Diagrams (EM12R1U)
Toyota Corolla 1996 wiring diagram overall Download. Toyota Corolla 2004 Electrical Wiring Diagram Download. ... 2009-2010 Toyota Corolla Wiring Diagrams (EM12R1U)
Comments
Post a Comment